广州市yh86银河国际电机有限公司地址:广州市番禺区石基镇富怡路傍江东村段439-4号手机:13427689308(程工)微信:13828402501(杨工)手机:13928804016(胡工)
80#交流伺服交流伺服电机与相应伺服驱动器装置配套构成的伺服系统,可广泛应用于机床、纺织、塑胶、印染、印刷、建材、包装、木工等领域电机由定子、转子、高精度反馈元件(如:光电编码器、旋转变压器等)组成。采用高性能稀土永磁材料形成气隙磁场,采用无机壳定子铁芯,温度梯度大,散热效率高,具有如下特点:*结构紧凑、功率密度高、体积小;转动惯量小,晌应速度快*超高内禀矫顽力稀土永磁材料;抗去磁能力强*低速转矩脉动小;平衡精度高,高速运行平稳;噪音低、振动小峰值转矩达到额定转矩200%,300%*电机种类多样(750~1500W,DC24~72V,AC220V带制动器、油封等)*高速运行转速可高达5000rpm
有关直流伺服电机电压,功率,转速,编码器更换,配减速箱等性能问题,或电机定制开发,驱动器定制开发,请来电咨询:13928804016凌工(微信号同步)
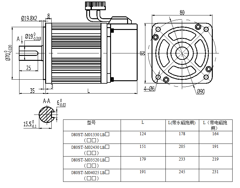
电机尺寸图:
参数表:
电机型号
D80ST-M01330 LB□(□X)
D80ST-M02430 LB□(□X)
D80ST-M03520 LB□(□X)
D80ST-M04025 LB□(□X)
额定功率(KW)
0.4
0.75
0.73
1.0
额定线电压(V)
220
额定线电流(A)
2
3.0
4.4
额定转速(rpm)
3000
2000
2500
额定力矩(N.m)
1.27
2.39
3.5
4.0
峰值力矩(N.m)
3.8
7.1
10.5
12
峰值电流(A)
6
9.0
13.2
反电势(V/krpm)
40
48
71
56
力矩系数(N.m/A)
0.64
0.8
1.17
0.9
转子惯量(Kg.m2)
1.05×10-4
1.82×10-4
2.63×10-4
2.97×10-4
绕组(线间)电阻(Ω)
4.44
2.88
3.65
1.83
绕组(线间电感)
(mH)
7.93
6.4
8.8
4.72
电气时间常数(ms)
1.66
2.22
2.4
2.58
重量(Kg)
1.78
2.86
3.9
4.1
编码器线数
(PPR)
电机绝缘等级
ClassF(130℃)
防护等级
IP65
使用环境
环境温度: -20℃~ +50℃ 环境湿度:相对湿度<90%(不结霜条件)
电机绕组插座
绕组引线
U(红)
V(黄)
W(蓝)
PE(黄绿/黑)
插座编号
1
3
4
编码器插座
信号引线
5V
0V
B+
Z-
U+
Z+
U-
A+
V+
W+
V-
A-
B-
W-
PE
5
7
8
9
10
11
13
14
15
地址:广州市番禺区石基镇富怡路傍江东村段439-4号
手机:13928804016(胡工) 13427689308(程工)
专注于直流伺服电机,行星减速器,直流无刷电机的生产和销售!
备案: SEO:18网络 技术支持:九鑫传媒
进货单共0种货品合计:0.00元